Tel. (722) 134 95 02

Gabinete exterior mica ahumada, Sistema de ventilación y calentador


Video Vigilancia » CCTV Digital IP » Accesorios IP : Housing y Soportes

Gabinete exterior mica ahumada, Sistema de ventilación y calentador
Marca:

Modelo:
AE132

▼ Descripción

Gabinete para domo con cubierta o mica ahumada y protección ambiental IP66 lo que permite obtener una excelente resistencia en ambientes exteriores. Incluye sistema de ventilación (5±5°C) y calentador (40±5°C), para optimizar y extender la vida útil de sus cámaras.

Está elaborado en aleación de aluminio y la cubierta en policarbonato de alta resistencia. Puede usarse en conjunto con el brazo de pared WB-WG y con la base para montaje AM1104. Es ideal para instalar con las cámaras PT7135, PT8133, PZ81x1.


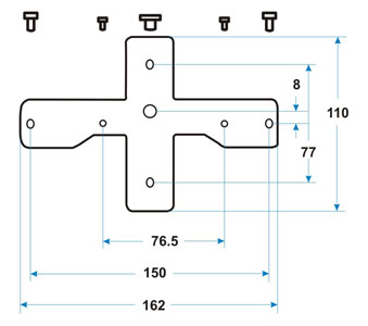
WB-WG

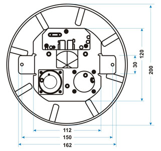
AM1104

▼ Especificaciones

- Gabinete de Domo para exterior con mica ahumada
Modelo: AE-132
Dimensión del embalaje Longitud: 300 Ancho: 300 Alto: 350 (mm)
Material Aleación de aluminio
Cubierta: Policarbonato
Color de cupula Ahumado
Alimentacion de energía Entrada: 12V CD / 3A
Calentador / Ventiador Ventilador y calentador integrado
Calentador: 5 ± 5 °C (encendido)
Ventilador: 40 ± 5 °C (encendido)
Temperatura de operación -20 ~ 50 °C
Humedad 0% ~ 95%
Protección ambiental IP66
Dimensión exterior ø: 220 Altura: 285.3(mm)
Dimensiones